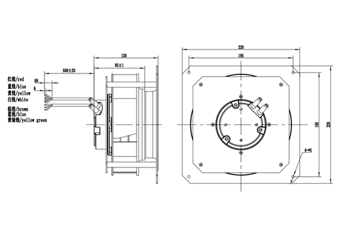
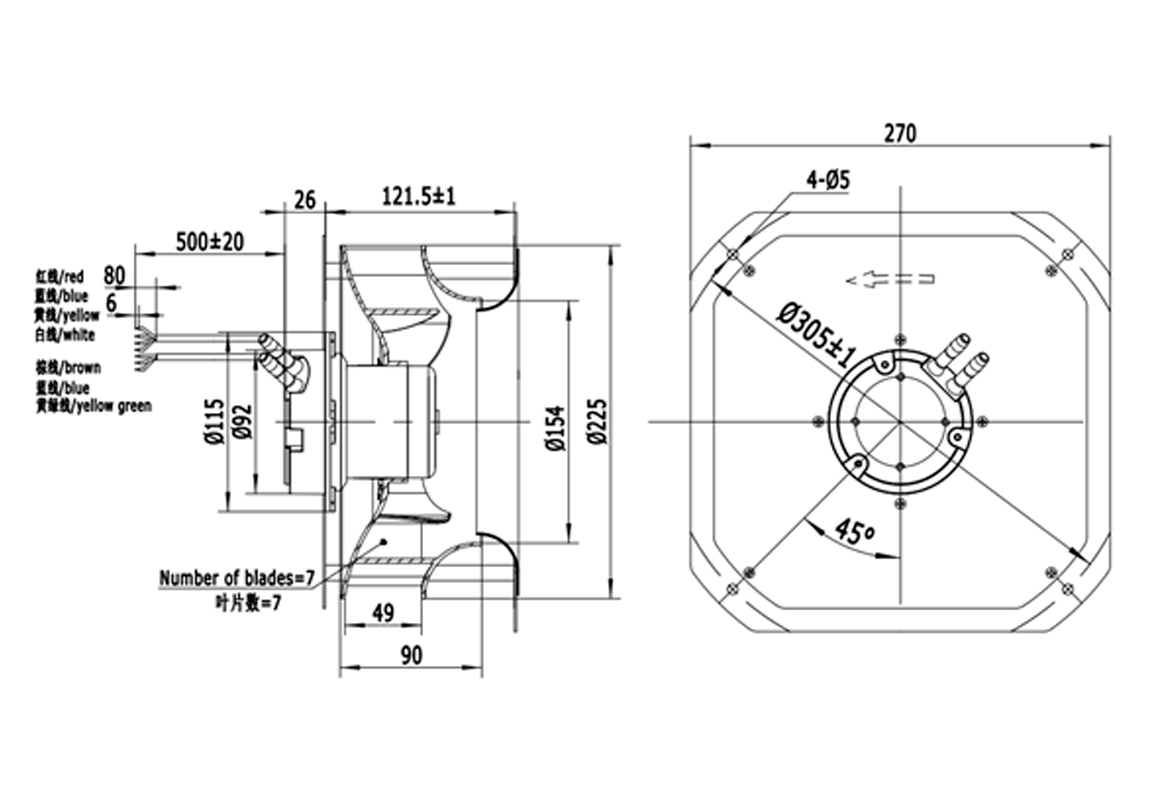
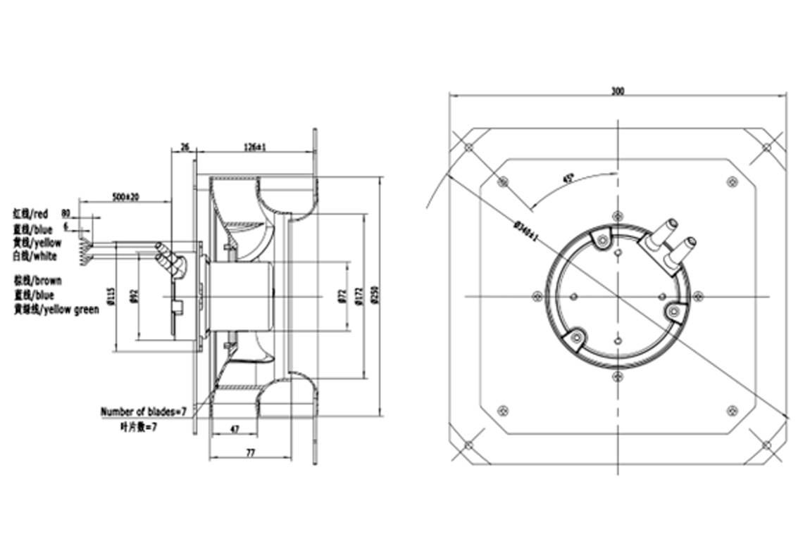
Os motores centrífugos compactos cobrem uma faixa de diâmetros de rotor de φ190 a φ250 mm e apresentam design de rotor externo compacto. Eles geram alta pressão estática (até cerca de 1100 Pa) com baixo nível de ruído e alta eficiência. Esses ventiladores são amplamente usados em HVAC (aquecimento, ventilação e ar-condicionado), sistemas de exaustão e refrigeração em diversas indústrias (equipamentos médicos, data centers, eletrônica de potência etc.). Os modelos utilizam motor EC (brushless externo); tipicamente o impelidor é de plástico e o rotor de aço. Todos têm proteção IP54, isolamento classe F e certificação internacional.
A montagem plenum fan permite rotores de maior dimensão e capacidade, sendo aplicados em equipamentos de ar condicionado e refrigeração de grande porte ou compondo projetos de construção civil. Aplicações de pressurização de escadas em parede de ventiladores (fan wall), ventilação de garagens e arrefecimento de subestações são exemplos práticos de uso.
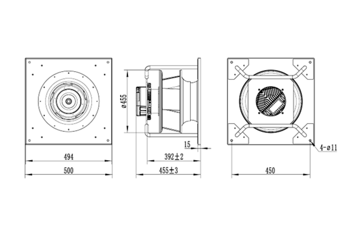
Os modelos de maior porte (rotor de 355–500 mm) usam carcaça metálica robusta e potências maiores, adequados para fluxos elevados.
Certificações Gerais: Certificações internacionais, motores com proteção eletrônica e longa vida útil. Produtos com alto desempenho, baixo ruído e alta eficiência para aplicações comerciais e industriais.




















