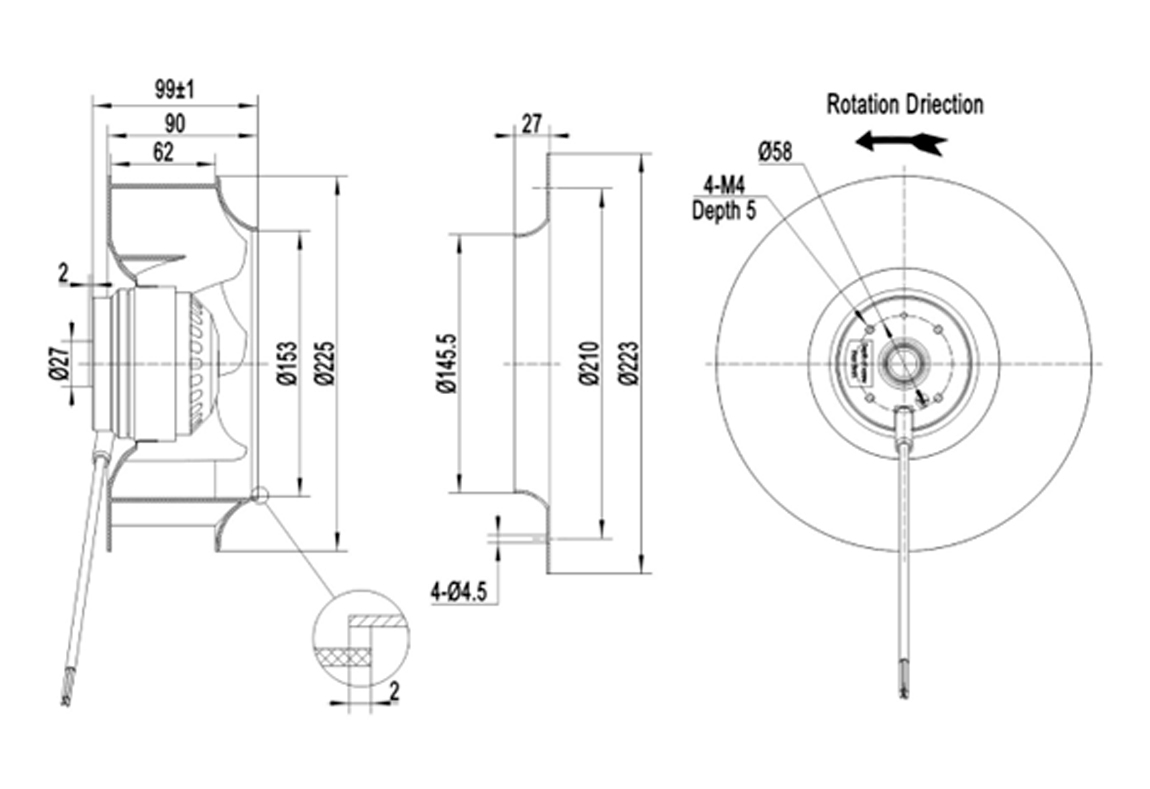
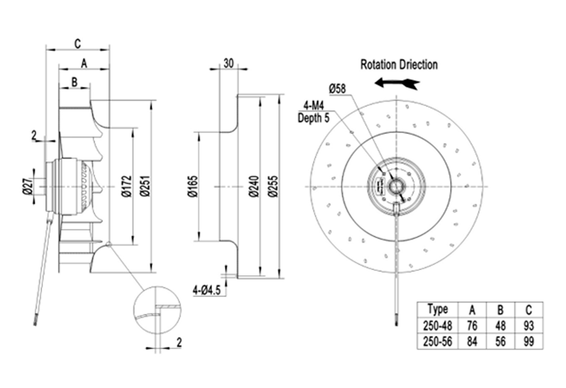
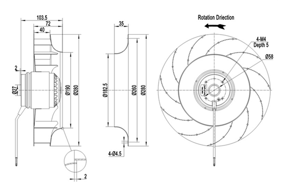
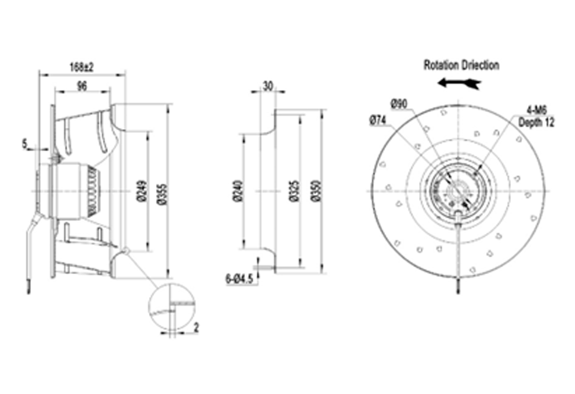
Os ventiladores centrífugos compactos cobrem uma faixa de diâmetros de rotor de φ190 a φ400 mm e apresentam design de rotor externo compacto. Eles geram alta pressão estática (até cerca de 2200 Pa) com baixo nível de ruído e alta eficiência. Esses ventiladores são amplamente usados em HVAC (aquecimento, ventilação e ar-condicionado), sistemas de exaustão e refrigeração em diversas indústrias (equipamentos médicos, data centers, eletrônica de potência etc.). Os modelos utilizam motor AC. Tipicamente o impelidor é de plástico e o rotor de aço. Todos têm proteção IP54, isolamento classe F e certificação internacionais.























