SIS Absorptive Silencer

SIS absorptive silencers are designed and developed to reduce noise generated during suction and/or discharge of Sicflux fans and exhausters. Made of galvanized steel 1020 and internally coated with sound-absorbing material, these silencers feature flanged connections with holes for easy installation.

Available in two diameters and with two length options, they can be adapted to meet various sound attenuation needs. They are also compatible with the ACI and CRS lines.

About the Product

Key Features:

✲ Made of galvanized steel;
✲ Sound-absorbing material;
✲ Flanged connections with holes;
✲ 04 models;
✲ Easy fitting;
✲ Fitting connections;
✲ Profiled foam with a density of 28 kg/m³;
✲ Profiled foam with a thickness of 42mm.

Technical Specifications

Sound pressure level attenuation when tested with compatible models from the ACI and CRS lines, radiated at 3 m in free field, with ducts on suction and discharge.

ModelTube Diameter (mm)Length (mm)Attenuation (dBA)
SIS 315-40031540004
SIS 315-60031560006
SIS 355-40035540004
SIS 355-60035560006

Models

SIS 315-400

SIS 315-600

SIS 355-400

SIS 355-600

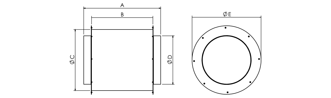
ModelDimensions (mm)Weight (Kg)
ABCDE
SIS 315-40050040040031545008
SIS 315-600 70060040031545010
SIS 355-400 50040044035549009
SIS 355-60070060044035549011